

1. Constructed of galvanized steel, it offers excellent corrosion and wear resistance, ensuring long-term operation in the industrial operating environments of oil pumping equipment (e.g., oil, dust, and other complex operating conditions).
2. It supports multiple voltage modes: 110V/60Hz, 220V/50Hz, and 380V/50Hz, covering major global power grid standards and adapting to the power supply requirements of oil pumping equipment in different regions.
3. The forward-curved galvanized impeller, optimized for aerodynamics, significantly improves air volume and pressure output efficiency, ensuring effective ventilation and cooling for the oil pumping system.
4. The corrosion resistance of the galvanized steel casing and impeller ensures stable operation in the harsh environments of oil pumping equipment, extending the product life.
Main Datas:
| Condition No. | Static Pressure of Air Chamber (Pa) | Air Flow (m³/h) | Total Pressure of Air Chamber (Pa) | Current (A) | Speed (r/min) | Power (W) |
| 1 | 571.39 | 134.2 | 587.48 | 1.73 | 1454 | 364 |
| 2 | 521.95 | 326.88 | 538.04 | 1.75 | 1452 | 369 |
| 3 | 473.79 | 785.53 | 489.88 | 1.95 | 1438 | 423 |
| 4 | 423.68 | 964.78 | 448.77 | 2.1 | 1428 | 452 |
| 5 | 380.68 | 1690.51 | 396.77 | 2.62 | 1392 | 568 |
| 6 | 335.27 | 2640.76 | 351.35 | 3.7 | 1298 | 805 |
| 7 | 273.84 | 2913.4 | 289.92 | 4.2 | 1230 | 910 |
| 8 | 241.98 | 3016.54 | 258.05 | 4.4 | 1195 | 960 |
| 9 | 201.79 | 3108.02 | 217.86 | 4.73 | 1142 | 1018 |
| 10 | 145.94 | 3165.05 | 162.01 | 5.01 | 1057 | 1072 |
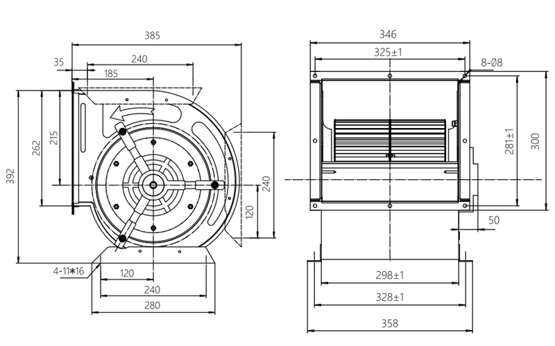
Product size:
Curve:
Products provided by famous enterprises are deeply trusted by users.
What Causes Blower Impeller Noise and Vibration? The abnormal noise or vibration in a blower impeller is most commonly caused by physical imbalance (over 70% of field service cases), followed by bearing failure, loose mounting, or foreign object debris. If the impeller is not perfectly balanced, even a slight weight d...
READ MORE