

1. Its 7/7 size boasts precise dimensions, a rational structural design, and meticulously crafted mounting interfaces, facilitating integration with air handling units and other equipment.
2. It supports free-standing installation, eliminating the need for complex mounting brackets or specialized fixings, significantly facilitating installation.
3. It offers OEM customization services, allowing us to tailor fan parameters and materials to meet specific customer needs.
4. It is primarily used in air handling units and can be used for fresh air ventilation and other applications. It provides powerful support for ventilation and air purification in various locations, including commercial buildings, industrial plants, and residential buildings, contributing to a comfortable and healthy indoor air environment.
Main Datas:
| Condition No. | Static Pressure of Air Chamber (Pa) | Air Flow (m³/h) | Total Pressure of Air Chamber (Pa) | Current (A) | Speed (r/min) | Power (W) |
| 1 | 321.08 | 102.35 | 337.92 | 0.6 | 1354 | 76 |
| 2 | 290.68 | 248.85 | 337.53 | 0.63 | 1354 | 80 |
| 3 | 258 | 365.45 | 274.84 | 0.66 | 1354 | 83 |
| 4 | 243.17 | 575.2 | 259.99 | 0.81 | 1354 | 102 |
| 5 | 204.35 | 1168.83 | 221.17 | 1.38 | 1354 | 182 |
| 6 | 174.87 | 1390.38 | 191.67 | 1.69 | 1354 | 222 |
| 7 | 144.01 | 1573.7 | 160.81 | 1.96 | 1354 | 267 |
| 8 | 107.12 | 1778.73 | 123.91 | 2.25 | 1332 | 309 |
| 9 | 86.7 | 1836.92 | 103.42 | 2.31 | 1295 | 319 |
| 10 | 45.5 | 1923.7 | 62.25 | 2.37 | 1248 | 330 |
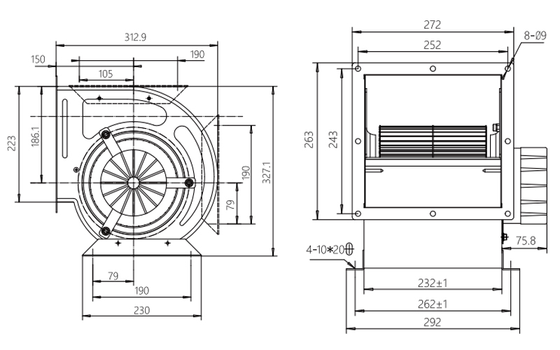
Product size:

Products provided by famous enterprises are deeply trusted by users.
What Causes Blower Impeller Noise and Vibration? The abnormal noise or vibration in a blower impeller is most commonly caused by physical imbalance (over 70% of field service cases), followed by bearing failure, loose mounting, or foreign object debris. If the impeller is not perfectly balanced, even a slight weight d...
READ MORE